鬆下香蕉视频在线观看网站電機

薄型氣缸係列
  • HCQ2薄型氣缸,標準型
  • 主圖1.jpg
  • 主圖2.jpg

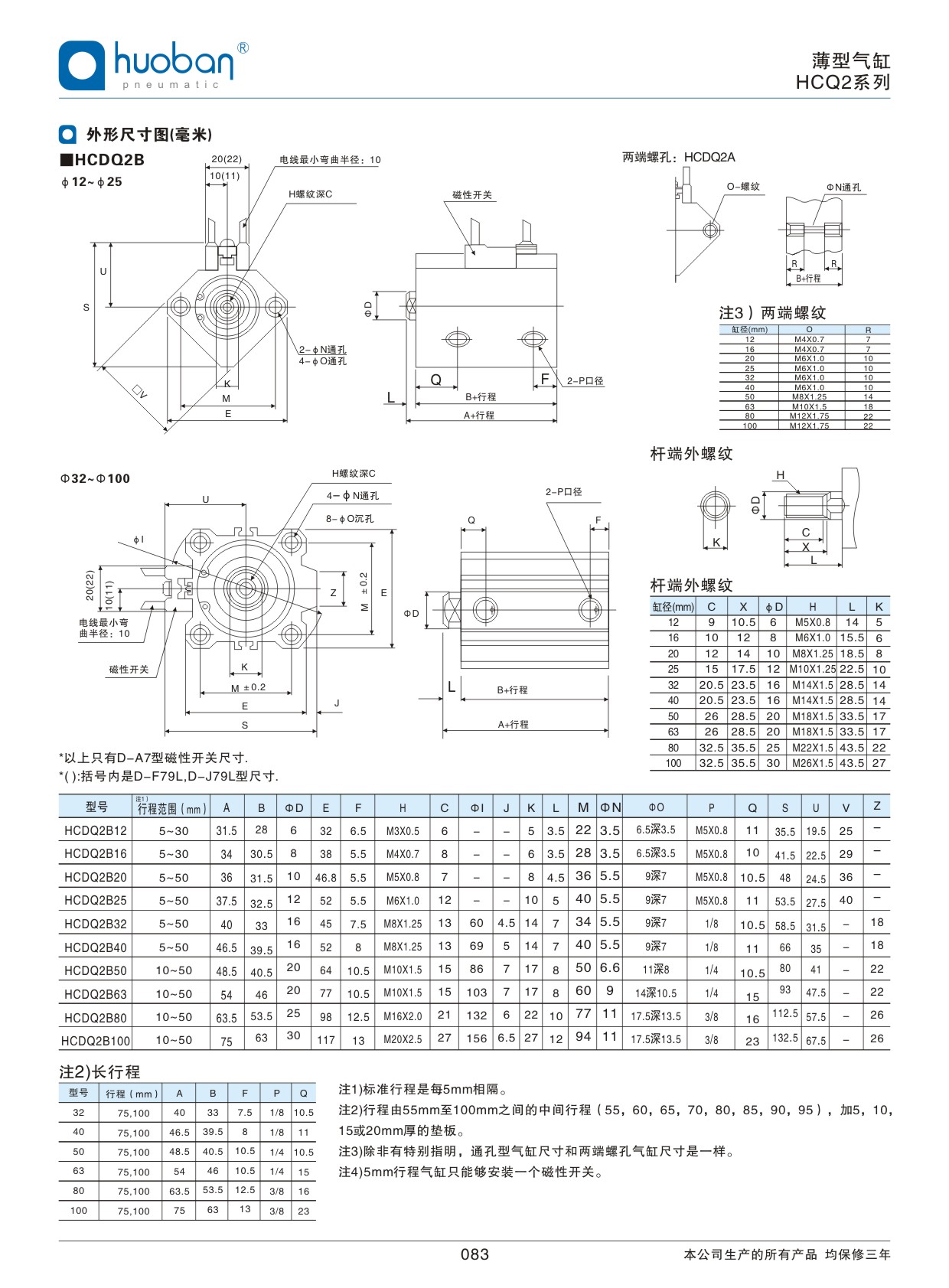
HCQ2薄型氣缸,標準型

HCQ2薄型氣缸,標準型

HCQ2薄型氣缸,標準型

HCQ2薄型氣缸,標準型

HCQ2薄型氣缸,標準型

在線谘詢
全國免費服務專線4000-226-036

產品描述

HCQ2薄型氣缸,標準型

HCQ2薄型氣缸,標準型

HCQ2薄型氣缸,標準型

HCQ2薄型氣缸,標準型

  備案號:粵ICP備48542955號    粵公網安備 44030602003136號

網站地圖| |技術支持:香蕉视频黄色三级片

掃描二維碼關注官方微信公眾號

確定
在線谘詢
點擊這裏給我發消息 點擊這裏給我發消息
在線留言
官方微信

掃一掃
關注香蕉视频黄色三级片官方微信

全國服務熱線
4000-226-036

返回頂部
網站地圖